Подшипник 62/32 2RS C3 NTN
Условия доставки
-
Новая почта
-
Укрпочта
-
Самовывоз
Условия оплаты
-
Наложенный платеж (При получении заказа)
-
Безналичный расчет с НДС (ЮР лицам)
-
Картами Visa и Mastercard онлайн
-
Оплата на карту
-
Предоплата по реквизитам
-
Внимание! Изображение товара приведено для ознакомления и в отдельных случаях может отличаться от фактического внешнего вида изделия.
Высококачественная продукция, сертифицированная по международным стандартам ISO
Гарантированно честная цена без лишних переплат
Максимальное наличие на складе, минимальные сроки доставки под заказ
Квалифицированные консультации технических специалистов
Высокий уровень обслуживания и мгновенная реакция на ваши потребности
Описание товара
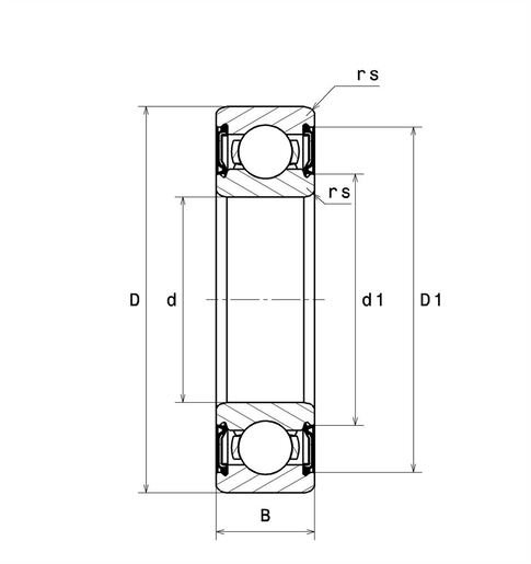
Радиальный однорядный подшипник 62/32 2RS C3 NTN Размеры: 32*65*17

РАЗМЕРЫ ИЗДЕЛИЯ
d
32 mm
D
65 mm
B
17 mm
rs min
1 mm
Класс радиального зазора
C3
Вес
0,226 kg
Марка
NTN
ПРОИЗВОДИТЕЛЬНОСТЬ ПРОДУКТА
Производительность при динамической нагрузке (C)
23 kN
Производительность при статической нагрузке (C0)
11,6 kN
Предельная усталостная нагрузка (Cu)
0,84 kN
f0
13.6
Предельная скорость смазки Lub
7100 tr/min
Мин. рабочая температура (Tmin)
-25 °C
Макс. рабочая температура (Tmax)
110 °C