Подшипник 6209 LLU NR NTN
Условия доставки
-
Новая почта
-
Укрпочта
-
Самовывоз
Условия оплаты
-
Наложенный платеж (При получении заказа)
-
Безналичный расчет с НДС (ЮР лицам)
-
Картами Visa и Mastercard онлайн
-
Оплата на карту
-
Предоплата по реквизитам
-
Внимание! Изображение товара приведено для ознакомления и в отдельных случаях может отличаться от фактического внешнего вида изделия.
Высококачественная продукция, сертифицированная по международным стандартам ISO
Гарантированно честная цена без лишних переплат
Максимальное наличие на складе, минимальные сроки доставки под заказ
Квалифицированные консультации технических специалистов
Высокий уровень обслуживания и мгновенная реакция на ваши потребности
Описание товара
Радиальный однорядный подшипник 6209 LLU NR NTN Размеры: 45*85*19
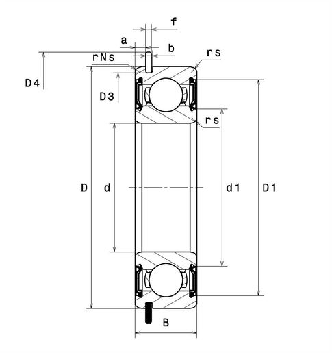
РАЗМЕРЫ ИЗДЕЛИЯ
d - Внутренний диаметр
45 mm
D - Наружный диаметр
85 mm
B - Ширина подшипника/внутреннего кольца
19 mm
a min - Минимальное положение канавки
3,07 mm
a max - Максимальное положение канавки
3,28 mm
Ca min - положение мини-сегмента
4,67 mm
Ca max - Максимальное положение сегмента
4,98 mm
rs - Минимальный радиус галтели
1,1 mm
rNs - Минимальный радиус галтели
0,5 mm
D3 - Максимальный диаметр нижней канавки
81,81 mm
b min - минимальная ширина канавки
1,9 mm
b max - максимальная ширина канавки
2,2 mm
r0 max - Максимальный радиус нижней канавки
0,6 mm
D4 max - Максимальный наружный диаметр стопорного кольца в сборе
91,6 mm
f - Толщина стопорного кольца
1,7 mm
Обозн. стопорного кольца
R85
Класс радиального зазора
C3 Специальный
Вес
0,398 kg
Марка
NTN

ПРОИЗВОДИТЕЛЬНОСТЬ
C - Динамическая грузоподъёмность
36 kN
C0 - Статическая грузоподъёмность
20,4 kN
Cu - Предельная усталостная нагрузка
1,6 kN
f0 - Коэффициент
14.1
Nlim - Предельная скорость при смазывании консистентной смазкой
5200 tr/min
Tmin - Мин. рабочая температура
-25 °C
Tmax - Макс. рабочая температура
110 °C